Product Summary
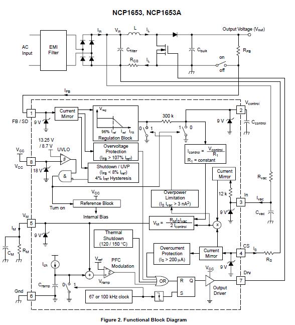
The 1653A is a controller designed for Continuous Conduction Mode (CCM) Power Factor Correction (PFC) boost circuits. The 1653A operates in the follower boost or constant output voltage in 67 or 100kHz fixed switching frequency. Follower boost offers the benefits of reduction of output voltage and hence reduction in the size and cost of the inductor and power switch. The 1653A minimizes the number of external components and drastically simplifies the CCM PFC implementation. The 1653A also integrates high safety protection features. The 1653A is a driver for robust and compact PFC stages.
Parametrics
1653A absolute maximum ratings: (1)FB, Vcontrol, In, CS, VM Pins (Pins 1.5), Maximum Voltage Range, Vmax: -0.3 to 9V; Maximum Current, Imax: 100mA; (2)Drive Output (Pin 7), Maximum Voltage Range, Vmax: -0.3 to +18V; Maximum Current Range, Imax: 1.5A; (3)Power Supply Voltage (Pin 8), Maximum Voltage Range, Vmax: -0.3 to 18V; Maximum Current, Imax: 100mA; (4)Transient Power Supply Voltage, Duration<10 ms, IVCC<20mA:25V; (5)Power Dissipation and Thermal Characteristics, PD: 800mW; RθJA: 100℃/W; (6)Operating Junction Temperature Range, TJ: -40 to +125℃; (7)Storage Temperature Range, Tstg: -65 to +150℃.
Features
1653A features: (1)IEC1000-3-2 Compliant; (2)Continuous Conduction Mode; (3)Average Current-Mode or Peak Current-Mode Operation; (4)Constant Output Voltage or Follower Boost Operation; (5)Very Few External Components; (6)Fixed Switching Frequency: 67 kHz; (7)Soft-Start Capability; (8)VCC Undervoltage Lockout with Hysteresis (8.7 / 13.25 V); (9)Overvoltage Protection (107% of Nominal Output Level); (10)Undervoltage Protection or Shutdown (8% of Nominal Output Level); (11)Programmable Overcurrent Protection; (12)Programmable Overpower Limitation; (13)Thermal Shutdown with Hysteresis (120 / 150℃); (14)Pb-Free Packages are Available.
Diagrams

| Image | Part No | Mfg | Description | ![]() |
Pricing (USD) |
Quantity | ||||||||||||
|---|---|---|---|---|---|---|---|---|---|---|---|---|---|---|---|---|---|---|
![]() |
![]() 1653A |
![]() B&K Precision |
![]() Bench Top Power Supplies AC POWER SUPPLY |
![]() Data Sheet |
![]() Negotiable |
|
||||||||||||
| Image | Part No | Mfg | Description | ![]() |
Pricing (USD) |
Quantity | ||||||||||||
![]() |
![]() 1653 BK001 |
![]() Alpha Wire |
![]() Wire - Single Conductor 10AWG 600V PVC 1000ft SPOOL BLACK |
![]() Data Sheet |
![]()
|
|
||||||||||||
![]() |
![]() 1653 BK005 |
![]() Alpha Wire |
![]() Wire - Single Conductor 10AWG 600V PVC 100ft SPOOL BLACK |
![]() Data Sheet |
![]()
|
|
||||||||||||
![]() |
![]() 1653 RD001 |
![]() Alpha Wire |
![]() Wire - Single Conductor 10AWG 600V PVC 1000ft SPOOL RED |
![]() Data Sheet |
![]()
|
|
||||||||||||
![]() |
![]() 1653 RD005 |
![]() Alpha Wire |
![]() Wire - Single Conductor 10AWG 600V PVC 100ft SPOOL RED |
![]() Data Sheet |
![]()
|
|
||||||||||||
![]() |
![]() 1653 WH005 |
![]() Alpha Wire |
![]() Wire - Single Conductor 10AWG 600V PVC 100ft SPOOL WHT |
![]() Data Sheet |
![]()
|
|
||||||||||||
![]() |
![]() 1653003 |
![]() Phoenix Contact |
![]() Ethernet & Telecom Connectors VS-TO-OW-2-F-9010 |
![]() Data Sheet |
![]()
|
|
||||||||||||
(China (Mainland))











